-
-
-
Tổng tiền thanh toán:
-
16 January, 2022
0 bình luận
Tìm hiểu công nghệ lọc nước RO hiện đại hàng đầu hiện nay
Lọc nước RO được đánh giá là công nghệ lọc nước hiện đại nhất hiện nay. Chúng giúp loại bỏ hầu hết các tạp chất, cặn bẩn trong nguồn nước. Nhờ đó, người tiêu dùng được tiếp cận nguồn nước sạch sẽ, an toàn và tinh khiết nhất cho sức khỏe. Vậy, máy lọc nước này có gì khác biệt so với các sản phẩm khác? Hãy tìm Adoco.vn hiểu ngay sau đây.
Lọc nước RO là gì?
Lọc nước RO (Reverse Osmosis) là công nghệ lọc hiện đại nhằm loại bỏ hoàn toàn các tạp chất như bụi bẩn, bùn đất, thuốc trừ sâu... và rất nhiều vi khuẩn có hại từ nguồn nước. Máy lọc nước sử dụng công nghệ RO giúp bạn có một nguồn nước sạch, an toàn và bổ sung nhiều loại khoáng chất có lợi cho cơ thể.
Tìm hiểu thêm:

Lọc nước RO là công nghệ gì?
Công nghệ RO sử dụng màng lọc với các khe lọc có kích thước siêu nhỏ, chỉ 0.0001 micromet. Do đó, ngoài việc lọc được các chất rắn, ion kim loại nặng, nó còn có thể loại bỏ những vi sinh vật, vi khuẩn…, mang lại cho chúng ta nguồn nước tinh khiết và hoàn toàn có thể uống trực tiếp.
Ưu điểm của máy lọc RO so với các sản phẩm khác
Nguồn nước lọc hiện nay hầu hết là nguồn nước sông, nước giếng,... chứa nhiều tạp chất. Thông qua các thiết bị lọc mà nguồn nước sạch được tiêu thụ. Tuy nhiên, không phải máy lọc nào cũng cho hiệu quả cao. Máy lọc nước RO được nhiều gia đình tin tưởng nhờ vào những ưu điểm vượt trội hơn hẳn các sản phẩm khác.

Máy lọc nước RO có ưu điểm gì?
- Máy lọc nước có thể lọc được hầu hết các nguồn nước và cho hiệu quả tối ưu. Tuy nhiên, đối với một số nguồn nước khó như nước bị nhiễm đá vôi, phèn nặng…., bạn cần lọc thô trước khi đưa vào máy lọc RO.
- Khe lọc RO có kích thước siêu nhỏ nên hầu như không có tạp chất nào nào có thể lọt qua màng lọc.
- Màng lọc RO có thể tự sục rửa nên có thể kéo dài thời gian sử dụng lõi.
- Máy được bổ sung các lõi khoáng chất có lợi cho cơ thể.
- Máy lọc nước RO có thiết kế đơn giản nhưng vô cùng hiện đại và sang trọng, phù hợp với mọi không gian nội thất của gia đình bạn.
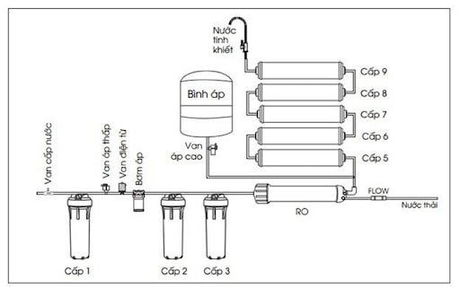
Nguyên lý lọc nước RO
Máy lọc nước công nghệ RO đã quá nổi tiếng trên thị trường. Mặc dù vậy, vẫn có rất nhiều câu hỏi thiết bị này hoạt động như thế nào? Nguyên lý lọc nước RO như sau:

Nguyên lý lọc nước RO như thế nào?
- Đầu tiên, nước từ đầu nguồn sẽ chảy qua lõi lọc 1, 2, 3 để loại bỏ các chất rắn như bùn đất, phèn hay phân tử thuốc sâu,...
- Tiếp theo, nước được truyền qua màng lọc RO qua một máy bơm công suất lớn để lọc ion kim loại nặng, vi khuẩn và các chất có thể gây ung thư khác.
- Nước lọc qua màng RO đã sạch được dẫn xuống bình chứa, còn nước thải được đưa ra ngoài. Nước gọi là nước thải nhưng bạn vẫn có thể tái sử dụng lại được.
- Cuối cùng, nước sạch được dẫn đến lõi lọc số 4, 5, 6, 7, 8, 9 để bổ sung thêm các khoáng chất có lợi. Điều này còn giúp trung hòa axit và tạo độ cân bằng cho nước trước khi bạn sử dụng.
Mua máy lọc nước RO tại Hà Nội
Nhờ những ưu điểm và lợi ích có được từ máy lọc nước RO, sản phẩm này được nhiều gia đình tin tưởng sử dụng. Để có thể sở hữu máy lọc nước RO chính hãng tại Hà Nội, bạn có thể tìm đến Adoco.
Adoco là một trong những đơn vị chuyên cung cấp, tư vấn giải pháp và chuyển giao công nghệ hệ thống lọc, xử lý nước cho các ngành công nghiệp và dân dụng uy tín nhất hiện nay.
Adoco đã tích lũy nhiều năm kinh nghiệm trong lĩnh vực này. Do đó, người tiêu dùng có thể yên tâm hài lòng khi trải nghiệm những dịch vụ như: Tư vấn sản phẩm phù hợp nhất, bảo hành bảo dưỡng tận tình và chăm sóc khách hàng chu đáo.
Qua bài viết trên đây, bạn đọc tìm hiểu về lọc nước RO và những ưu điểm vượt trội của công nghệ này. Quý khách hàng có nhu cầu, mời liên hệ Adoco theo các thông tin sau đây: Website www.adoco.vn hoặc hotline 0936.763.883 để được tư vấn kỹ lưỡng.
0 bình luận